Você sabe quais são os 11 tipo de partida de motores elétricos?
Neste artigo, você vai descobrir quais são os 11 tipo de partida de motores elétricos e onde eles são usados e como funciona na prática.
Portanto, se você quer aprender mais sobre esse assunto, então continue lendo esse artigo.
Antes de ler o artigo abaixo, cadastre o seu email para receber agora o seu Kit grátis com 4 eBooks para eletricistas e engenheiros.
O que são tipo de partida de motores
A corrente elétrica de partida (Ip) é a corrente que o motor absorve da rede no instante da partida.
E geralmente esse tipo de energia deve ser informado pelo fabricante em relação à corrente nominal (Ip/In).
Mas o grande problema é que essa corrente elétrica possui um alto valor de intensidade e em um curto espaço de tempo.
E neste caso, essa corrente de partida acaba se comportando como um surto de energia na rede elétrica e pode gerar problemas à instalação.
Para que serve esse tipo de partida de motores
Os tipos de partida de motores são fundamentais para controlar a corrente de partida do motor nas indústrias e de todos os setores.
E os motores elétricos podem ter sua partida feita em diversas formas diferentes.
Os tipos mais comuns de partida em motores trifásicos são o tipo de partida direta, a partida estrela triângulo e a partida suave com Soft Starter.
Quando usar o tipo de partida de motores
Neste caso, é importante destacar que cada tipo de partida possui suas características e também suas diferenças.
E cada tipo de partida de motores só deve ser usada em casos previamente analisados e estudados.
Isso acontece porque cada tipo de partida altera as características básicas de funcionamento do motor.
Por exemplo, ao reduzir a corrente de partida do motor, ele também pode provocar uma redução no torque desse motor.
Ou seja, dependendo do tipo de aplicação a ser usada, isso pode gerar problemas futuros que explicaremos mais adiante.
11 tipo de partida de motores
Na prática, também existem vários outros tipo de partida de motores elétricos.
Por isso fizemos uma lista explicando cada uma dos 11 tipo de partida de motores elétricos que você precisa conhecer e onde eles são usados.
Então, vamos começar pela a partida direta, confira abaixo.
Tipo de partida de motores com partida direta
A partida direta é o tipo de partida mais simples, porém pode apresentar riscos de corrente de pico.
Neste caso, na partida direta de motor elétrico trifásico podemos identificar que o motor irá receber a alimentação diretamente da fonte geradora trifásica.
Além disso, ele também sofrerá interferência somente dos dispositivos de seccionamento como por exemplo contatores, disjuntores, relé térmico.
Na imagem abaixo é possível visualizar um diagrama de potência e diagrama de comando da partida direta, confira.

Dependendo da aplicação que será usada, a partida estrela triângulo pode ser financeiramente mais viável de controlar a corrente de partida.
Outra opção muito usada na indústria é o Soft Starter é uma opção mais segura, mas que requer um investimento maior.
Agora nós vamos entender como funciona a partida direta com reversão, confira abaixo.
Junte-se a mais de 20.000 pessoas
Cadastre seu email e receba conteúdos exclusivos e com prioridade
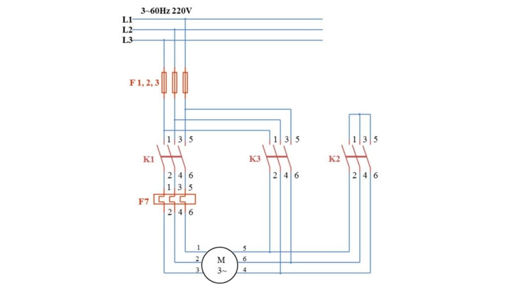
Tipo de partida de motores com partida direta com reversão
A partida direta com reversão é o tipo de partida necessária para algumas aplicações que exigem que o motor gire em algum momento no sentido horário e em outro no sentido anti-horário.
Neste caso, é importante destacar que os motores elétricos trifásicos permitem que sua rotação seja invertida sem nenhum problema.
Ou seja, desde de que sejam analisados e calculados os devidos cuidados para esse tipo de partida.
Na imagem abaixo é possível visualizar um diagrama de comando e potência da partida direta com reversão, confira.

Neste caso, podemos observar que no diagrama de potência temos a alimentação do motor elétrico com partida direta com reversão.
E ela é fornecida a partir por L1, L2 e L3 e sendo disponibilizada através dos contatores K1 e K2.
Mas é importante observar que esses dois dispositivos acima nunca poderão estar ligados simultaneamente.
Isso acontece porque irá acontecer um curto circuito gerado na saída dos contatores K1 e K2.
Observe que quando existe a necessidade de realizarmos a inversão de rotação de um motor elétrico trifásico devemos interagir diretamente em seu campo magnético girante.
Além disso, sabemos também que este campo magnético só existe em função da defasagem de 120° entre as fases.
Por isso, deverá ser necessário realizar a inverter duas das três fases de alimentação deste
motor.
No geral, para este tipo de aplicação, podemos citar o exemplo de máquinas que são equipadas com motores elétricos trifásicos.
E que que precisam realizar movimentos para cima e para baixo, para esquerda e para direita, para frente e para trás.
Neste caso, eles devem possuir circuitos de reversão, sejam eles automáticos ou manuais.
Agora vamos entender como funciona o tipo de partida estrela triângulo, confira abaixo.
Tipo de partida de motores com partida estrela triângulo
A partida estrela triângulo é um dos tipos de partidas mais usadas.
Na prática, ela ajuda a reduzir a corrente de partida do motor elétrico trifásico através da redução da tensão de fase.
Ou seja, a tensão em cada uma das bobinas que estão no motor.
Na imagem abaixo é possível visualizar um diagrama de potência do funcionamento de uma partida estrela triângulo, confira.

E na imagem abaixo é possível visualizar um diagrama de comando de uma partida estrela triângulo, confira.

Veja que para fazer a ligação estrela triângulo é necessário no mínimo um motor
de seis terminais.
E em seguida realizamos uma manipulação no fechamento de suas bobinas de maneira que exista a redução de sua tensão de fase.
Nós já fizemos um artigo completo explicando sobre a partida estrela triângulo.
E se você tiver dúvidas, então acesse o artigo acima para saber mais.
Para facilitar o entendimento, dividimos o funcionamento da partida estrela triângulo em duas etapas, conforme a imagem abaixo.

Neste caso, na primeira etapa o motor será iniciado em fechamento estrela.
E após alguns segundos ou conforme o tempo definido pelo temporizador, os contatos do motor irão comutar para o fechamento triângulo.
E é desta maneira teremos como resultado a redução da corrente de partida do motor elétrico trifásico.
Agora vamos entender como funciona a partida estrela triângulo com reversão.
Junte-se a mais de 20.000 pessoas
Cadastre seu email e receba conteúdos exclusivos e com prioridade
Tipo de partida de motores com partida estrela triângulo com reversão
A partida estrela triângulo com reversão também é conhecida como delta/estrela.
Esse tipo de partida estrela triângulo com reversão funciona em duas etapas como mencionamos acima.
Mas esse tipo de partida com reversão, também proporciona duas botoeiras para serem operadas.
Ou seja, será uma para girar o motor no sentido horário e outra no sentido anti-horário.
Na imagem abaixo é possível visualizar um diagrama de potência de um motor com partida estrela triângulo com reversão, confira.

Observe que foi mantido o conceito de inversão de fase para que seja possível a inversão da rotação do motor elétrico trifásico.
Além disso, na imagem acima é possível entender que quando utilizado a partida estrela triângulo, os contatores K1 e K2 serão fundamentais e os responsáveis por tal feito.
E na imagem abaixo é possível visualizar um diagrama de comando da partida estrela triângulo com reversão, confira.

Na prática, o preço é um dos fatores mais importantes na hora de escolher a chave de partida.
E neste caso, uma das vantagens desse tipo de partida estrela triângulo com reversão é o seu baixo custo e a sua eficiência para determinadas aplicações.
Vamos entender agora como funciona a partida compensadora, confira abaixo.
Tipo de partida de motores com partida compensadora
Outra maneira de reduzir a corrente de partida do motor elétrico trifásico é através do tipo de partida compensadora.
Nesse tipo de partida com chave compensadora é utilizado um autotransformador para fornecer uma tensão reduzida nas bobinas do motor.
Isso significa que ao diminuir o valor de tensão em um circuito, o valor de corrente também será diminuído.
Na imagem abaixo é possível visualizar um diagrama de potência de uma partida compensadora, confira.

Na imagem abaixo é possível visualizar o diagrama de comando de uma partida compensadora, confira.

No geral, depois que o motor alcançar a sua velocidade nominal, então as bobinas começarão a receber a tensão nominal da rede e o motor irá trabalhar com toda a sua capacidade.
Na imagem abaixo é possível visualizar qual será a dimensão dessa redução usando a partida compensadora, confira.

Conforme a tabela acima, podemos verificar que a redução no nível de tensão de alimentação do motor será de 65% ou 80% da tensão nominal.
Mas também podemos observar que haverá uma redução na corrente de partida para 42% ou 64% da corrente nominal.
Mas antes de finalizar a importância da partida compensadora é muito importante destacar a seguinte recomendação abaixo.
A orientação é que esse tipo de partida compensadora ou partida por autotransformador deve ser usada quando não for possível usar a partida estrela triângulo.
Agora vamos conhecer o tipo de partida compensadora com reversão, confira abaixo.
Tipo de partida de motores com partida compensadora com reversão
Outra maneira de reduzir a corrente de partida do motor elétrico trifásico é através do tipo de partida compensadora com reversão.
Na imagem abaixo é possível visualizar o diagrama de potência da partida compensadora com reversão, confira.

Conforme a imagem acima temos uma partida compensadora sendo representados pelo K1, K2 e K3 conforme o que aprendemos no exemplo anterior.
Mas neste caso, foram acrescentados mais dois contatores, sendo o K4 e o K5.
Eles serão responsáveis pela inversão de duas fases de alimentação do circuito.
E permitirão a reversão de rotação do motor elétrico comutado a partir deste sistema de partida
E na imagem abaixo é possível visualizar o diagrama de comando de uma partida compensadora com reversão, confira.

Agora vamos conhecer o tipo de partida de motores com Soft Starter, confira abaixo.
Junte-se a mais de 20.000 pessoas
Cadastre seu email e receba conteúdos exclusivos e com prioridade
Tipo de partida de motores com Soft Starter
Um outro tipo de partida de motores muito usado na indústria é o Soft Starter.
O Soft Starter é um equipamento usado para realizar partidas eletrônicas suaves em motores elétricos trifásicos.
Na imagem abaixo é possível visualizar um modelo do Soft Starter SSW07 da WEG, confira abaixo.

Na prática, o Soft Starter é capaz de controlar a tensão aplicada no motor e limitar a corrente de partida, evitando os picos de corrente.
Esse componente utiliza um conjunto de pares de tiristores (SCR) que acionados por circuitos eletrônicos microprocessados permitem o controle da tensão de partida do motor.
Na imagem abaixo é apresentado o funcionamento interno de um Soft Starter, confira.

O Soft Starter apresenta as seguintes vantagens abaixo.
- Pode ser ajustável a tensão de partida por um tempo pré-definido;
- Pulso de tensão na partida para cargas com alto conjugado de partida;
- Possui proteção contra falta de fase, sobrecorrente e subcorrente, etc.
- Por ser um tipo de partida eletrônica, ele faz com que a corrente de partida do motor consiga uma melhor performance em relação aos outros tipos de partida.
Nós já fizemos um artigo completo explicando passo a passo como funciona o Soft Starter.
Se você tiver interesse então acesse o artigo acima para saber mais.
Antes de finalizar a importância do Soft Starter é importante ler o destaque abaixo.
Neste caso, este tipo de equipamento pode ser uma solução com um custo de aquisição e manutenção mais elevado.
Agora vamos conhecer o tipo de partida de motores com Inversor de Frequência.
Tipo de partida de motores com Inversor de Frequência
O Inversor de Frequência é um equipamento eletrônico que é muito usado para variar a velocidade de um motor de indução trifásico.
O Inversor de Frequência serve para acionar um motor elétrico e ao mesmo tempo variar a frequência e a tensão que é fornecida ao motor.
Na imagem abaixo é possível visualizar um modelo do Inversor de Frequência CFW500 da WEG, confira abaixo.

Além disso também possui diversas outras funções como controlar diversos parâmetros para total acionamento, controle e monitoramento do desempenho de motores elétricos trifásicos.
E diferente do Soft Starter é composto por tiristores ou SCR’s, o Inversor de Frequência é composto por IGBT’s.
Hoje o inversor de frequência está presente nos mais variados ramos industriais como principal alternativa aos tradicionais métodos de partida de motores
Nós também já fizemos um artigo completo explicando passo a passo como funciona o Inversor de Frequência.
E também explicamos qual a diferença entre o Soft Starter e o Inversor de Frequência.
Se você tiver interesse então acesse o artigo acima para saber mais.
Mas também é importante destacar que este tipo de equipamento pode ser uma solução com um custo de aquisição e manutenção mais elevado.
Agora vamos entender como funciona o tipo de partida de motor Dahlander, confira abaixo.
Tipo de partida de motores com partida de motor Dahlander
Neste caso, precisamos entender que o motor Dahlander é um motor elétrico de indução trifásico convencional.
Isso significa que será possível o acionamento do motor em duas velocidades distintas.
Observe que na imagem abaixo é possível visualizar o diagrama de potência de um motor Dahlander, confira.

Em seguida podemos observar que a velocidade mais alta será sempre o dobro da velocidade menor.
Isto se dá em função de, no fechamento do motor alteramos a quantidade de pólos magnéticos gerados internamente no estator.
E na imagem abaixo é possível visualizar o diagrama de comando de um motor Dahlander, confira.

Agora vamos entender como funciona a partida de motor Dahlander com reversão, confira abaixo.
Tipo de partida de motores com partida de motor Dahlander com reversão
Esse tipo de partida de motores com partida Dahlander com reversão não é um tipo de partida muito comum.
Na prática, é como se fosse uma chave Dahlander e uma chave reversora juntas.
Na imagem abaixo é possível visualizar o diagrama de potência do tipo de partida de um motor Dahlander com reversão, confira.

Agora temos um motor que poderá possuir através de um mesmo fechamento, duas velocidades e cada uma delas com inversão de rotação comutada por botões.
E na imagem abaixo é possível visualizar o diagrama de comando para o tipo de partida de um motor Dahlander com reversão, confira.

Observe que as características de dimensionamento são idênticas às da chave Dahlander sem inversão de rotação.
Neste caso, conforme podemos perceber que entre os contatores de cada inversor K1-K2 e K3-K4 há um intertravamento duplo.
O que seria um feito pelos contatos auxiliares dos próprios contatores (K1, K2, K3 e K4).
E outro feito pelos botões de partida (S1, S2, S3 e S4) e o contato auxiliar 21-22.
Neste caso, estes últimos poderiam ser substituídos por intertravamentos mecânicos nos
próprios contatores.
Assim pode evitar o uso de botões com 3 contatos para as partidas S3 e S4.
Agora vamos entender como funciona o tipo de partida com aceleração rotórica, confia abaixo.
Tipo de partida de motores com partida com aceleração rotórica
Esse sistema de partida com aceleração rotórica só é permitido para motores com rotor bobinado.
Isso acontece porque a corrente de partida é controlada por meio da inserção de resistores em série com as bobinas do rotor do motor.
Na imagem abaixo é possível visualizar esse tipo de ligação é possível por meio de anéis que permitem o acesso às bobinas do rotor.

Observe que a vantagem ao usar esse tipo de motor com partida de aceleração retórica é que ele mantém o torque constante e mesmo com a rotação reduzida.
Neste caso, para controlar a corrente de partida e rotação desse motor são utilizados bancos de resistores em série com os enrolamentos do rotor
E esse tipo de aplicação é muito utilizado em pontes rolantes e elevadores.
Nesse sistema o motor parte com a resistência total acoplada ao rotor e gradativamente.
E por acionamento de botão ou automaticamente por meio de temporizadores.
Ou seja, neste caso o valor do banco de resistores vai diminuindo até que o motor fique com os terminais do rotor em curto, na sua velocidade nominal.
Na imagem abaixo é possível visualizar o diagrama de potência de uma partida com aceleração rotórica, confira.

E na imagem abaixo é possível visualizar o diagrama de comando principal de uma partida com aceleração retórica, confira.















